021-51699285
首页
关于我们
公司简介
关于品牌
荣誉资质
产品中心
二段式一次用压力调压器
压力开关
MPG燃气微压表
燃气超压(欠压)切断阀
燃气调压器
空气/燃气比例调节阀
防爆常闭型紧急切断阀
燃气安全电磁阀
家用常开型燃气紧急切断安全电磁阀
新闻中心
公司新闻
行业动态
联系我们
产品展示
JLS-35三相三线(油浸)计量箱
首页
/
产品中心
/
10KV-35KV系列高压计量箱
塑壳互感器系列
0.5KV母线式电流互感器
0.5KV树脂浇注式互感器
LYM-0.5系列大电流母排式互感器
0.5干式电压互感器
零序互感器
限流电抗器
BLZ-1K系列直流互感器
HL23-1系列仪用互感器
智能控制器
电机软启动器
特殊(特种)电流互感器
霍尔电流传感器
钳型互感器
微型精密互感器
矿用真空馈电开关用互感器
10KV干式电流互感器
35KV干式电流互感器
10KV-35KV系列高压计量箱
6KV-35KV油浸式电压互感器
10KV-35KV油浸式电流互感器
10KV-35KV(户外)干式电压互感器
10KV-35KV(户内)干式电压互感器
放电线圈(油浸式放电线圈、干式户内放电线圈)
三相抗谐振电压互感器
产品标题:JLS-35三相三线(油浸)计量箱
产品ID:
VIB20100106104749734
品 牌:
ANGESUN互感器
所在地:中国 上海
价 格:面议 (大量采购价格面议)
库存状态:
货期待查
更新日期:2025-10-31 13:49:27
咨询电话:(+86)021-51699285
咨询Q Q:
519892866
产品简述
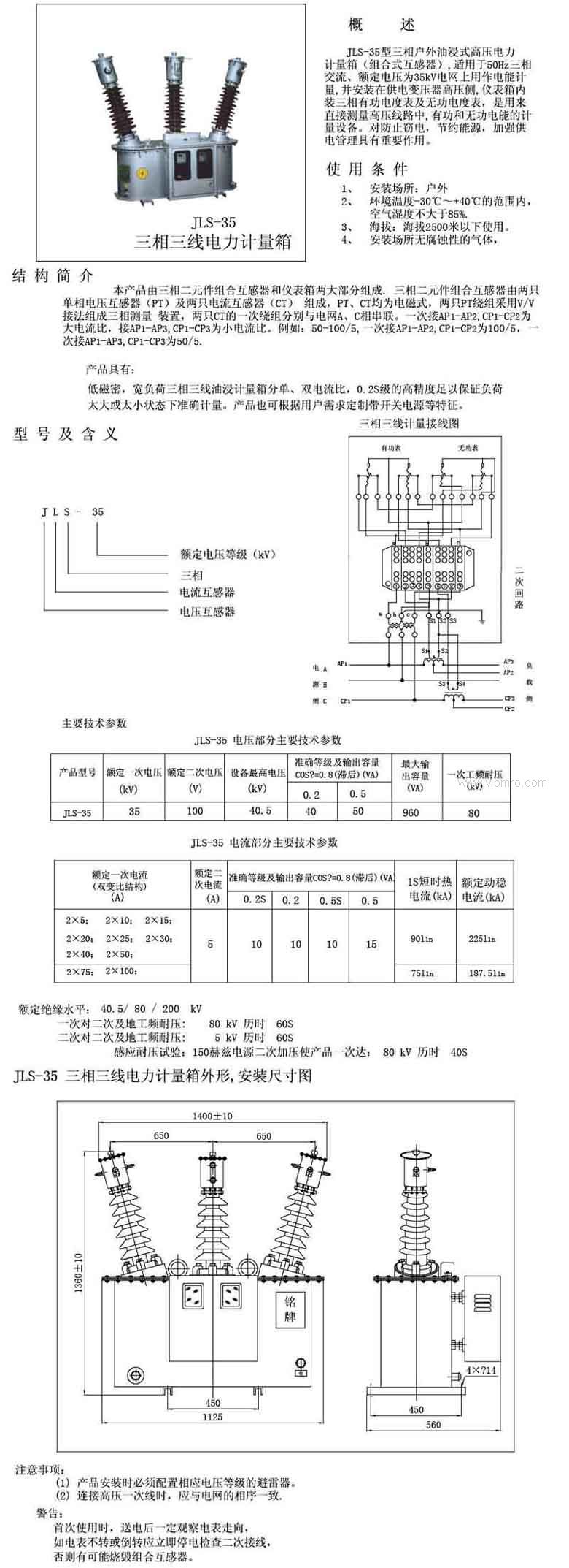
JLS-35三相三线(油浸)计量箱
产品详情
产品型号
真空吸盘、 ESS-60-EF
真空吸盘、 ESS-80-EN
真空吸盘、 ESS-80-EU
真空吸盘、 ESS-80-ES
真空吸盘、 ESS-80-EF
真空吸盘、 ESS-100-EN
真空吸盘、 ESS-100-EU
真空吸盘 ESS-2-SU
真空吸盘 ESS-2-SS
真空吸盘 ESS-2-SF
真空吸盘 ESS-2-SNA
真空吸盘 ESS-4-SN
真空吸盘 ESS-4-SU
真空吸盘 ESS-4-SS
前一页
JLSZ3-10三相四线组合互感器(干式)计量器
后一页
JLSZ3-10三相四线组合互感器(干式)计量器
产品中心
更多产品
MORE+
JDZ8-35电压互感器
VST45智能控制器
XD1-30系列限流电抗器
XD1-20系列限流电抗器
SPT204C测量型电压互感器
XD1-25系列限流电抗器
KDK系列限电抗器
SCTB测量型电流互感器
活塞杆,E. DNC- 50- -
活塞杆,E. DNC- 63- -
活塞杆,E. DNC- 80- -
活塞杆,E. DNC-100- -
电话:
021-51699285
传真:
021-51698592
手机:
13611905823
地址:上海市宝山区恒高路127弄6号楼2202室
首 页
关于我们
公司简介
品牌介绍
企业荣誉
产品中心
二段式一次用压力调压器
压力开关
MPG燃气微压表
燃气超压(欠压)切断阀
燃气调压器
空气/燃气比例调节阀
防爆常闭型紧急切断阀
燃气安全电磁阀
家用常开型燃气紧急切断安全电磁阀
新闻中心
公司新闻
行业动态
联系我们