021-51699285
首页
关于我们
公司简介
关于品牌
荣誉资质
产品中心
二段式一次用压力调压器
压力开关
MPG燃气微压表
燃气超压(欠压)切断阀
燃气调压器
空气/燃气比例调节阀
防爆常闭型紧急切断阀
燃气安全电磁阀
家用常开型燃气紧急切断安全电磁阀
新闻中心
公司新闻
行业动态
联系我们
产品展示
LZZBJ4-35干式、半封闭、支柱式电流互感器
首页
/
产品中心
/
35KV干式电流互感器
塑壳互感器系列
0.5KV母线式电流互感器
0.5KV树脂浇注式互感器
LYM-0.5系列大电流母排式互感器
0.5干式电压互感器
零序互感器
限流电抗器
BLZ-1K系列直流互感器
HL23-1系列仪用互感器
智能控制器
电机软启动器
特殊(特种)电流互感器
霍尔电流传感器
钳型互感器
微型精密互感器
矿用真空馈电开关用互感器
10KV干式电流互感器
35KV干式电流互感器
10KV-35KV系列高压计量箱
6KV-35KV油浸式电压互感器
10KV-35KV油浸式电流互感器
10KV-35KV(户外)干式电压互感器
10KV-35KV(户内)干式电压互感器
放电线圈(油浸式放电线圈、干式户内放电线圈)
三相抗谐振电压互感器
产品标题:LZZBJ4-35干式、半封闭、支柱式电流互感器
产品ID:
VIB20100105184455734
品 牌:
ANGESUN互感器
所在地:中国 上海
价 格:面议 (大量采购价格面议)
库存状态:
货期待查
更新日期:2025-10-25 10:16:05
咨询电话:(+86)021-51699285
咨询Q Q:
519892866
产品简述
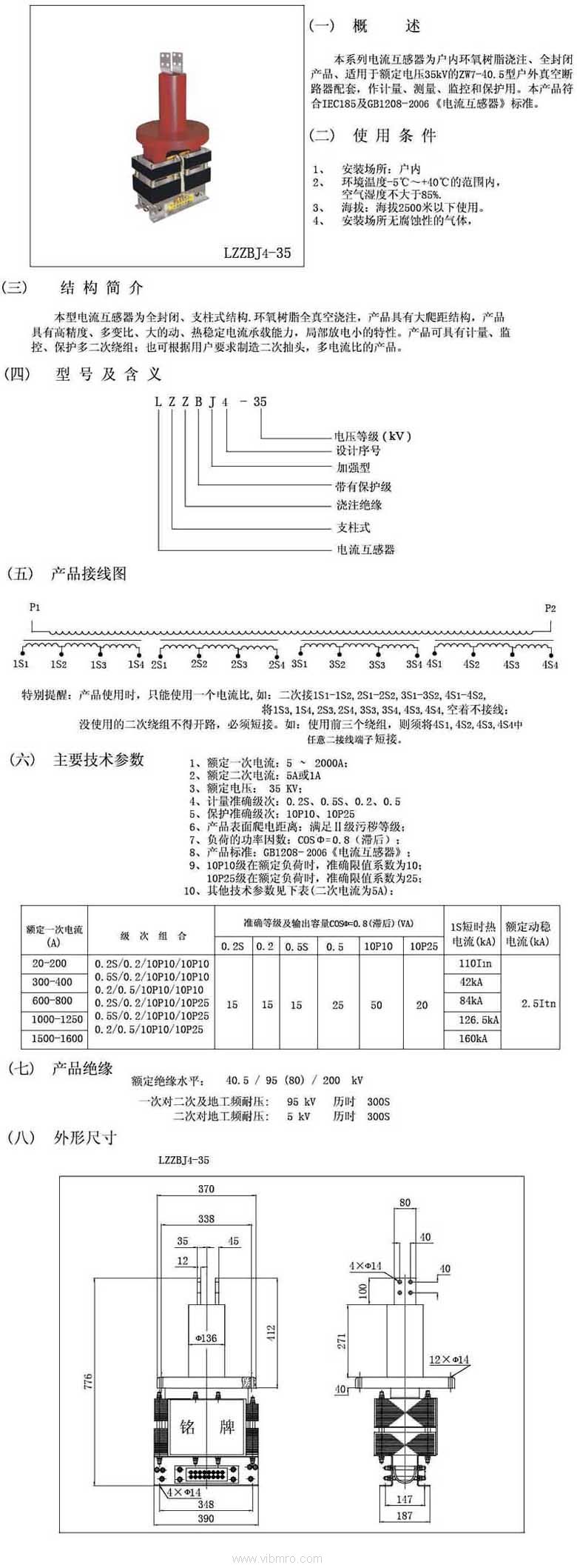
LZZBJ4-35干式、半封闭、支柱式电流互感器
产品详情
产品型号
双作用气缸 DSEU-16-25-P-A-MA
双作用气缸 DSEU-16-40-P-A-MA
双作用气缸 DSEU-16-50-P-A-MA
双作用气缸 DSEU-16-80-P-A-MA
双作用气缸 DSEU-16-100-P-A-MA
双作用气缸 DSEU-16-125-P-A-MA
双作用气缸 DSEU-16-160-P-A-MA
双作用气缸 DSEU-16-200-P-A-MA
双作用气缸 DSEU-20-10-P-A-MA
双作用气缸 DSEU-20-25-P-A-MA
双作用气缸 DSEU-20-40-P-A-MA
双作用气缸 DSEU-20-50-P-A-MA
双作用气缸 DSEU-20-80-P-A-MA
双作用气缸 DSEU-20-100-P-A-MA
前一页
LZZ7-35(干式)全封闭、全工况、支柱式电流互感器
后一页
LZZ7-35(干式)全封闭、全工况、支柱式电流互感器
产品中心
更多产品
MORE+
BLZ-1K系列直流互感器
VST45智能控制器
特殊(特种)电流互感器
LM-0.5系列母线式电流互感器
LJM-1母排式(零序)电流互感器
JSJW-6(油浸)电压互感器
LJZ-Φ65浇注式(零序)电流互感器
JDZ-10Q(干式)全工况电压互感器
双作用气缸 DNGV-100- PPV-S6 -SA
双作用气缸 DNGV-125- PPV-S6 -SA
标准插座 MSSD-EB-M12-MONO
标准插座 MSSD-EB-M12-DUO
电话:
021-51699285
传真:
021-51698592
手机:
13611905823
地址:上海市宝山区恒高路127弄6号楼2202室
首 页
关于我们
公司简介
品牌介绍
企业荣誉
产品中心
二段式一次用压力调压器
压力开关
MPG燃气微压表
燃气超压(欠压)切断阀
燃气调压器
空气/燃气比例调节阀
防爆常闭型紧急切断阀
燃气安全电磁阀
家用常开型燃气紧急切断安全电磁阀
新闻中心
公司新闻
行业动态
联系我们