021-51699285
首页
关于我们
公司简介
关于品牌
荣誉资质
产品中心
二段式一次用压力调压器
压力开关
MPG燃气微压表
燃气超压(欠压)切断阀
燃气调压器
空气/燃气比例调节阀
防爆常闭型紧急切断阀
燃气安全电磁阀
家用常开型燃气紧急切断安全电磁阀
新闻中心
公司新闻
行业动态
联系我们
产品展示
LZJ-10高压电流互感器
首页
/
产品中心
/
10KV干式电流互感器
塑壳互感器系列
0.5KV母线式电流互感器
0.5KV树脂浇注式互感器
LYM-0.5系列大电流母排式互感器
0.5干式电压互感器
零序互感器
限流电抗器
BLZ-1K系列直流互感器
HL23-1系列仪用互感器
智能控制器
电机软启动器
特殊(特种)电流互感器
霍尔电流传感器
钳型互感器
微型精密互感器
矿用真空馈电开关用互感器
10KV干式电流互感器
35KV干式电流互感器
10KV-35KV系列高压计量箱
6KV-35KV油浸式电压互感器
10KV-35KV油浸式电流互感器
10KV-35KV(户外)干式电压互感器
10KV-35KV(户内)干式电压互感器
放电线圈(油浸式放电线圈、干式户内放电线圈)
三相抗谐振电压互感器
产品标题:LZJ-10高压电流互感器
产品ID:
VIB20100105151647734
品 牌:
ANGESUN互感器
所在地:中国 上海
价 格:面议 (大量采购价格面议)
库存状态:
货期待查
更新日期:2025-10-24 3:08:28
咨询电话:(+86)021-51699285
咨询Q Q:
519892866
产品简述
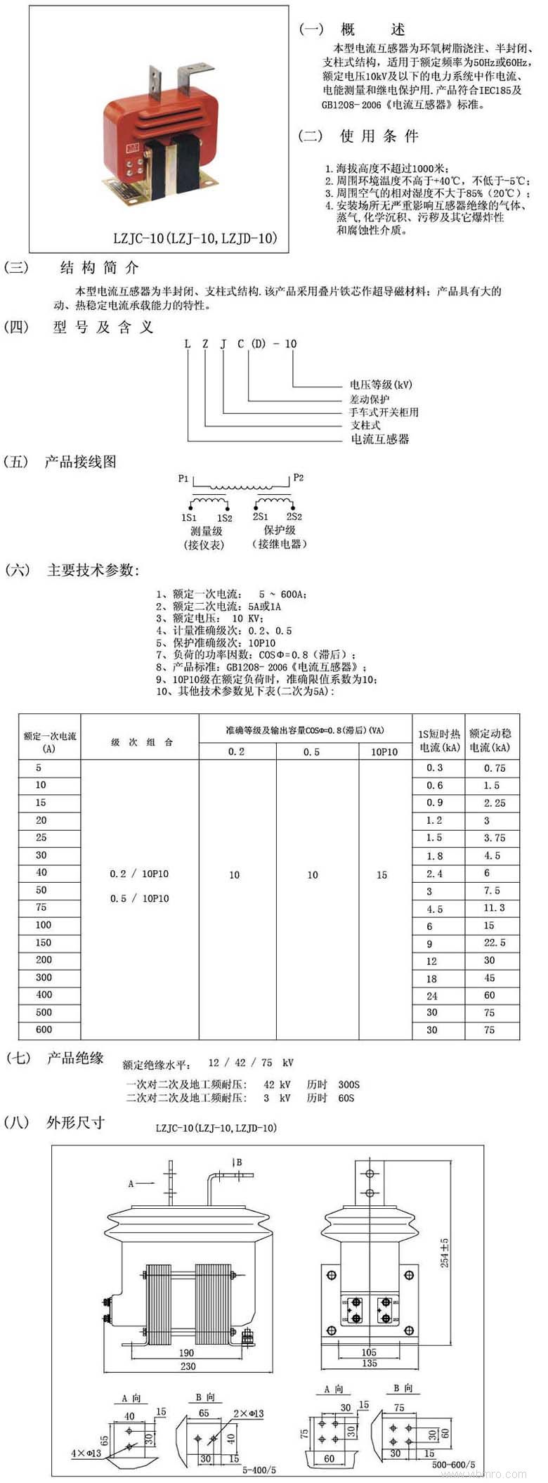
LZJC-10(LZJ-10、LZJD-10)高压电流互感器
产品详情
产品型号
双作用气缸 DSEU-8-25-P-A-MA
双作用气缸 DSEU-8-40-P-A-MA
双作用气缸 DSEU-8-50-P-A-MA
双作用气缸 DSEU-8-80-P-A-MA
双作用气缸 DSEU-8-100-P-A-MA
双作用气缸 DSEU-10-10-P-A-MA
双作用气缸 DSEU-10-25-P-A-MA
双作用气缸 DSEU-10-40-P-A-MA
双作用气缸 DSEU-10-50-P-A-MA
双作用气缸 DSEU-10-80-P-A-MA
双作用气缸 DSEU-10-100-P-A-MA
双作用气缸 DSEU-12-10-P-A-MA
双作用气缸 DSEU-12-25-P-A-MA
双作用气缸 DSEU-12-40-P-A-MA
前一页
LZJC-10高压电流互感器
后一页
LZJC-10高压电流互感器
产品中心
更多产品
MORE+
JSZK1-10三相搞谐振型电压感器
JDZ-6(干式)电压互感器
JDZJ-10户内、全封闭、全绝缘电压互感器
JLSZ-10三相三线组合互感器(干式)计量器
JLSZW10-6三相三线(干式)双向计量计量箱
LZZW-35Q干式、户外电流互感器
LYM-0.5系列大电流母排式互感器
LDJ-35/100(干式)全封闭电流互感器
双作用气缸 DSEU-20-80-P-A-MA
双作用气缸 DSEU-20-100-P-A-MA
双作用气缸 DSEU-20-125-P-A-MA
双作用气缸 DSEU-20-25-P-A
电话:
021-51699285
传真:
021-51698592
手机:
13611905823
地址:上海市宝山区恒高路127弄6号楼2202室
首 页
关于我们
公司简介
品牌介绍
企业荣誉
产品中心
二段式一次用压力调压器
压力开关
MPG燃气微压表
燃气超压(欠压)切断阀
燃气调压器
空气/燃气比例调节阀
防爆常闭型紧急切断阀
燃气安全电磁阀
家用常开型燃气紧急切断安全电磁阀
新闻中心
公司新闻
行业动态
联系我们