| 产品标题:SPT204B测量型电压互感器 产品ID:VIB20100105115135734 品 牌:ANGESUN互感器 所在地:中国 上海 价 格:面议 (大量采购价格面议) 库存状态:货期待查 更新日期:2025-10-25 3:24:01 咨询电话:(+86)021-51699285 咨询Q Q: 519892866 |
SPT204B测量型电压互感器
| SPT204B测量型电压互感器 |
![]() |
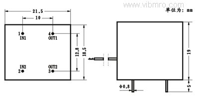
| 技术特点及相关参数: ●电磁隔离,精度高,无漂移 ●MTBF>10万小时 ●全树脂密封,可靠性高; ●工作温度-25℃~+75℃ ●隔离耐压AC2500V/1分钟 ●2倍过载 ●输入电流2mA (外接限流电阻) ●屏蔽型,抗干扰能力强 ●输出电流2mA ●频响20~50KHZ,尤其适合工频信号检测 ●线性度0.1%,耐冲击性强 ●相差小于5分(补偿后) ●小巧轻便,能直接焊接在印刷线路板上 ●对应型号SPT204B 三、使用说明: SPT204B是一种电流型电压互感器,推荐使用状态为2mA:2mA。典型应用电路如图所示。选取Rs使原边电流为2mA,则副边也会感应出一个相同的电流。根据Vo=2mA×(R+W),调节反馈电阻R+W,即可获得所需的输出电压。精度要求不高时,可不用W。可调节电阻r及电容C用于补偿相移,不需补偿时,可以不接。所用电阻均要求温度系数小于50PPM。 四、应用电路: ![]() |
