021-51699285
首页
关于我们
公司简介
关于品牌
荣誉资质
产品中心
二段式一次用压力调压器
压力开关
MPG燃气微压表
燃气超压(欠压)切断阀
燃气调压器
空气/燃气比例调节阀
防爆常闭型紧急切断阀
燃气安全电磁阀
家用常开型燃气紧急切断安全电磁阀
新闻中心
公司新闻
行业动态
联系我们
产品展示
RCT系列塑壳互感器
首页
/
产品中心
/
塑壳互感器系列
塑壳互感器系列
0.5KV母线式电流互感器
0.5KV树脂浇注式互感器
LYM-0.5系列大电流母排式互感器
0.5干式电压互感器
零序互感器
限流电抗器
BLZ-1K系列直流互感器
HL23-1系列仪用互感器
智能控制器
电机软启动器
特殊(特种)电流互感器
霍尔电流传感器
钳型互感器
微型精密互感器
矿用真空馈电开关用互感器
10KV干式电流互感器
35KV干式电流互感器
10KV-35KV系列高压计量箱
6KV-35KV油浸式电压互感器
10KV-35KV油浸式电流互感器
10KV-35KV(户外)干式电压互感器
10KV-35KV(户内)干式电压互感器
放电线圈(油浸式放电线圈、干式户内放电线圈)
三相抗谐振电压互感器
产品标题:RCT系列塑壳互感器
产品ID:
VIB20100104135058734
品 牌:
ANGESUN互感器
所在地:中国 上海
价 格:面议 (大量采购价格面议)
库存状态:
货期待查
更新日期:2025-10-25 21:26:00
咨询电话:(+86)021-51699285
咨询Q Q:
519892866
产品简述
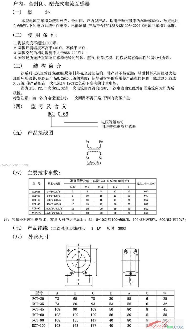
RCT系列塑壳互感器
产品详情
产品型号
吸盘转接支架 ESH-HE-1-M3
吸盘转接支架 ESH-HE-2-M5
吸盘转接支架 ESH-HE-3-G1/8
吸盘转接支架 ESH-HE-4-G1/8
吸盘转接支架 ESH-HE-5-G1/4
吸盘转接支架 ESH-HF-1-M10X1
吸盘转接支架 ESH-HF-2-M10X1
吸盘转接支架 ESH-HF-3-M14X1
吸盘转接支架 ESH-HF-4-M14X1
真空吸盘 ESS-2-SN
传感器条 BSL-HMP- 16-100
传感器条 BSL-HMP- 16-150
传感器条 BSL-HMP- 16-200
传感器条 BSL-HMP- 16-250
前一页
MSQ-0.66系列塑壳互感器
后一页
MSQ-0.66系列塑壳互感器
产品中心
更多产品
MORE+
JDZ-10Q(干式)全工况电压互感器
JDZX11-10(干式)户内全封闭电压互感器
JSZK1-6.10三相搞谐振型电压感器
JDZ-10(干式)电压互感器
KDK系列限电抗器
10KV户内三相电压互感器JSZW3-6
AG(TU)系列塑壳互感器
JSZG(F)1-6.10三相搞谐振型电压感器
双作用短行程气ADVC-16-10-I-P-A
双作用短行程气 ADVC-16-15-I-P-A
双作用短行程气 ADVC-16-20-I-P-A
双作用短行程气ADVC-16-25-I-P-A
电话:
021-51699285
传真:
021-51698592
手机:
13611905823
地址:上海市宝山区恒高路127弄6号楼2202室
首 页
关于我们
公司简介
品牌介绍
企业荣誉
产品中心
二段式一次用压力调压器
压力开关
MPG燃气微压表
燃气超压(欠压)切断阀
燃气调压器
空气/燃气比例调节阀
防爆常闭型紧急切断阀
燃气安全电磁阀
家用常开型燃气紧急切断安全电磁阀
新闻中心
公司新闻
行业动态
联系我们